Description

  • 3 Yr
  • 100k
  • Alberta

Project Name: Soil-to-Air Corrosion Mitigation

Services Provided: Detailed Engineering

Discipline(s): Mechanical, Structural, Civil, Process, Electrical

Budget: $100k

Duration: 3 yr

 

Scope Summary

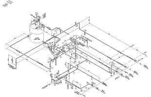
GN2 was contracted for the detailed engineering to address Soil-to-Air corrosion at multiple road crossings and tank berms within an operating plant. GN2 developed re-route or replacement solutions that either mitigated or eliminated these corrosion interfaces, such as the use of precast box culverts to increase maintenance and inspection accessibility. GN2 produced cross-disciplinary construction packages that covered all piping, structural, civil, and electrical EHT changes required. In addition, process engineering support was provided to design multiple bypass piping systems for use while construction was executed on the original line. Due to the highly congested existing infrastructure, laser scanning was used to create constructable solutions that could be implemented in short outage windows.